Flow controller
In pump engineering, flow controllers, often also referred to as flow monitors, serve to monitor and control cooling or lubricating flows through product-lubricated plain bearings, mechanical seals and, frequently, glandless chemical pumps. When a certain, specified volume flow rate is either exceeded or undershot, the flow controller triggers an appropriate switching event (i.e., activation of an alarm or stopping of the pump). The most familiar types of flow controller operate either according to the variable-area or rotameter principle, or according to the dynamic-pressure or differential-pressure principle.
Variable-area principle
In a vertical tube with an upwardly widening taper, a float is exposed to a rising flow of fluid. Exposed to an increasing rate of flow, the float rises until it reaches a specified height at which the switching event is triggered by either a magnet or an inductive sensor.
See Fig. 1 Flow Controller

Fig. 1 Flow controller: Variable-area principle
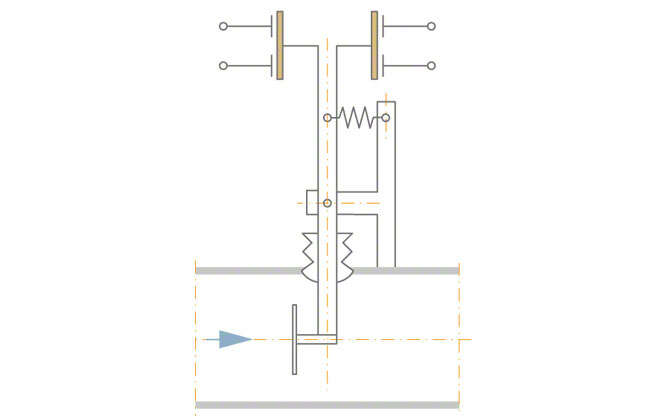
Dynamic-pressure principle
Here, a flow-induced force acting on a target or plate suspended in a tube is counterbalanced by a spring. If the system is forced out of equilibrium by a change in flow rate, a switching event is triggered. See Fig. 2 Flow controller

Fig. 2 Flow controller: Dynamic-pressure principle
Differential-pressure principle
A difference in pressure caused by a nozzle or orifice plate in a fluid-conducting tube is converted to a force in a differential-pressure measuring instrument (Barton cell). The ensuing force is counterbalanced by springs. Any change in the rate of flow through the tube forces the system out of equilibrium, hence triggering a switching event. See Fig. 3 Flow controller

Fig. 3 Flow controller: Differential-pressure principle
