Flow Controller
Der Flow Controller wird auch als Strömungswächter bezeichnet und im Pumpenbau zur Überwachung der Kühl- bzw. Schmierströme, für fördermediumgeschmierte Gleitlager und Gleitringdichtungen sowie häufig auch bei stopfbuchslosen Chemiepumpen eingesetzt. Dabei lösen sie je nach Einstellung bei Unter- oder Überschreitung eines vorgegebenen Volumenstromes einen Schaltvorgang (Einschalten der Warneinrichtung oder Ausschalten der Pumpe) aus. Die bekanntesten Strömungswächter basieren auf: Schwebekörper- sowie Stau- und Differenzdruck-Prinzip.
Schwebekörper-Prinzip
In einem senkrechten nach oben sich erweiternden Rohr, welches von unten durchströmt wird, befindet sich ein Schwebekörper. Dieser wird entsprechend der Durchströmung angehoben und löst, wenn er eine vorgegebene Höhe erreicht hat, den Schaltvorgang über einen Magneten oder einen induktiven Geber aus. siehe Abb. 1 Flow Controller

Abb. 1 Flow-Controller: Schwebekörper-Prinzip
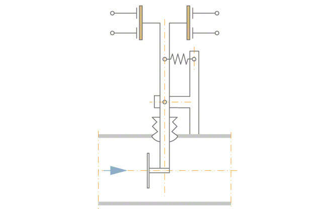
Staudruck-Prinzip
Die durch eine Strömung auf eine in einem Rohr angeordnete Prallplatte ausgeübte Kraft wird durch eine Feder kompensiert. Wird das System infolge einer Durchflussänderung aus dem Gleichgewicht gebracht, so wird der Schaltvorgang ausgelöst. siehe Abb. 2 Flow Controller

Abb. 2 Flow-Controller: Staudruck-Prinzip
Differenzdruck-Prinzip
Der Druckunterschied, welcher eine in ein durchströmtes Rohr eingebaute Düse oder Blende hervorruft, wird in einer Differenzdruckmesseinrichtung (Bartonzelle) in eine Kraft umgewandelt. Die Kraft wird durch Federn kompensiert. Eine Änderung der Rohrströmung bringt damit das System aus dem Gleichgewicht und löst den Schaltvorgang aus. siehe Abb. 3 Flow Controller

Abb. 3 Flow-Controller: Differenzdruck-Prinzip
